HS240
作者:菏泽海神机械制造有限公司 发布时间:2017-10-25 本文被阅读 955 次



POSEIDON/海之神系列结构、性能优势
一、锁模部件
1.静模板结构经优化设计,综合强度大幅度提高,确保模具变形程度zui小,产品成型精度更高。
2.动模板及尾板采用全连体结构并经优化设计,综合强度大幅度提高,动模板、尾板均与大锁轴无相对运动,实现动模板、尾板零磨损,售后服务更简单、维护成本更低廉。
3.动模板支撑滑板部件采用斜垫铁(锌基合金)调整结构,润滑效果更好,动模板高度调整更方便。
4.前连杆采用连体结构,综合强度更好,精度更高、装配更容易、维护更简单。
5.推力座采用连体结构,综合强度更好,推力座与小锁轴无相对运动,实现推力座零磨损,售后更简单、维护成本更低廉。
6.全部机铰(长铰、钩铰、小铰)结构经优化设计,综合强度更好,开合模动作更加敏捷、平稳。
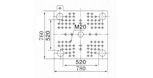
7.静模板、动模板均采用码模T型槽与码模螺纹孔组合设计,码模方式更灵活,码模更方便,磨具通用性更好。
8.锁模,顶出油缸采用双重密封结构,确保无液压油泄漏。
二、注射、预塑部件
1.导杆支座采用整体桥型结构,综合强度大幅度提高,注射、熔胶动作更加平稳,对中调整更方便。
2.螺杆长径比更大设计,预塑熔胶更优。
3.注射、射移油缸采用双重密封结构,确保无液压油泄漏。
| 下一条:HS180... | 上一条:HS268... |







